100-120V, 50/60hz, 1 phase, 2+G Ladder Diagram
100-120V, 50/60hz, 1 phase, 2+G Wiring Diagram
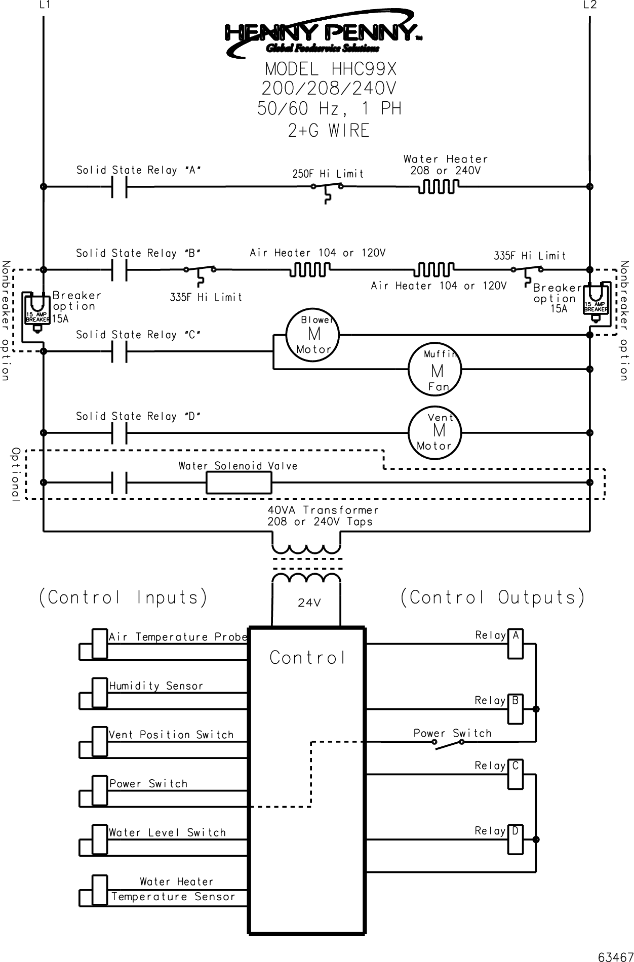
200, 208, 240V, 50/60hz, 1 phase, 2+G Ladder Diagram
200, 208, 240V, 50/60hz, 1 phase, 2+G Wiring Diagram
Related Content
Installing the AHC 99X Humidified Holding Cabinet
Operating the AHC 99X Humidified Holding Cabinet
Programming the AHC 99X Humidified Holding Cabinet
Troubleshooting the AHC 99X Humidified Holding Cabinet
Information about the AHC 99X Humidified Holding Cabinet
Reference
Specifications
Error Codes