HC 4, HC 5, HC 15 Wiring Diagrams
HC 5, HC 15 Electro Mechanical Control Wiring Diagram
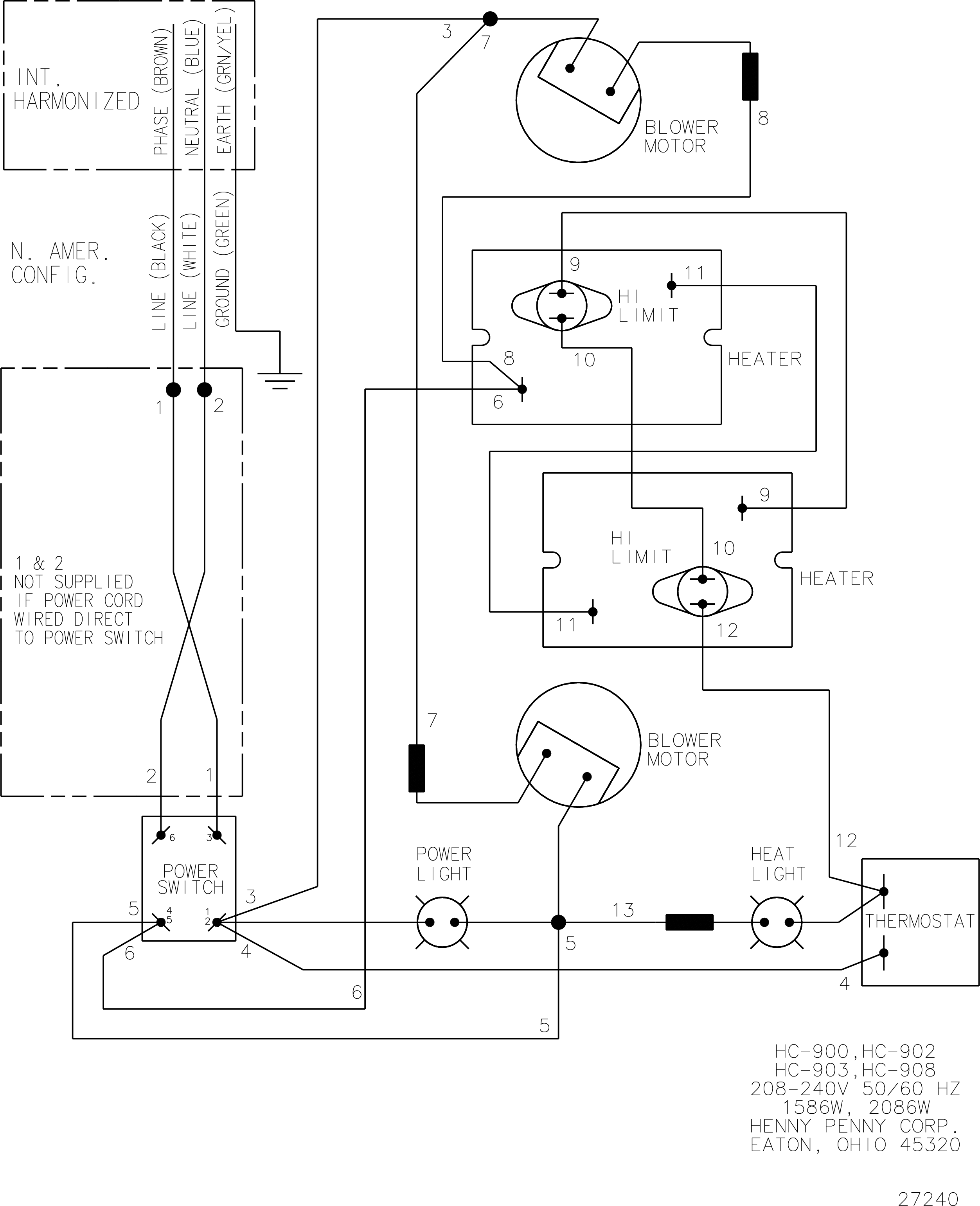
HC 4, HC 5, HC 15 Electric Control Wiring Diagram
Related Content
Installing the HC 4, 5, and 15 Heated Holding Cabinets
Operating the HC 4, 5, and 15 Heated Holding Cabinets
Programming the HC 4, 5, and 15 Heated Holding Cabinets
Troubleshooting the HC 4, 5, and 15 Heated Holding Cabinets
Information about the HC 4, 5, and 15 Heated Holding Cabinets
Reference