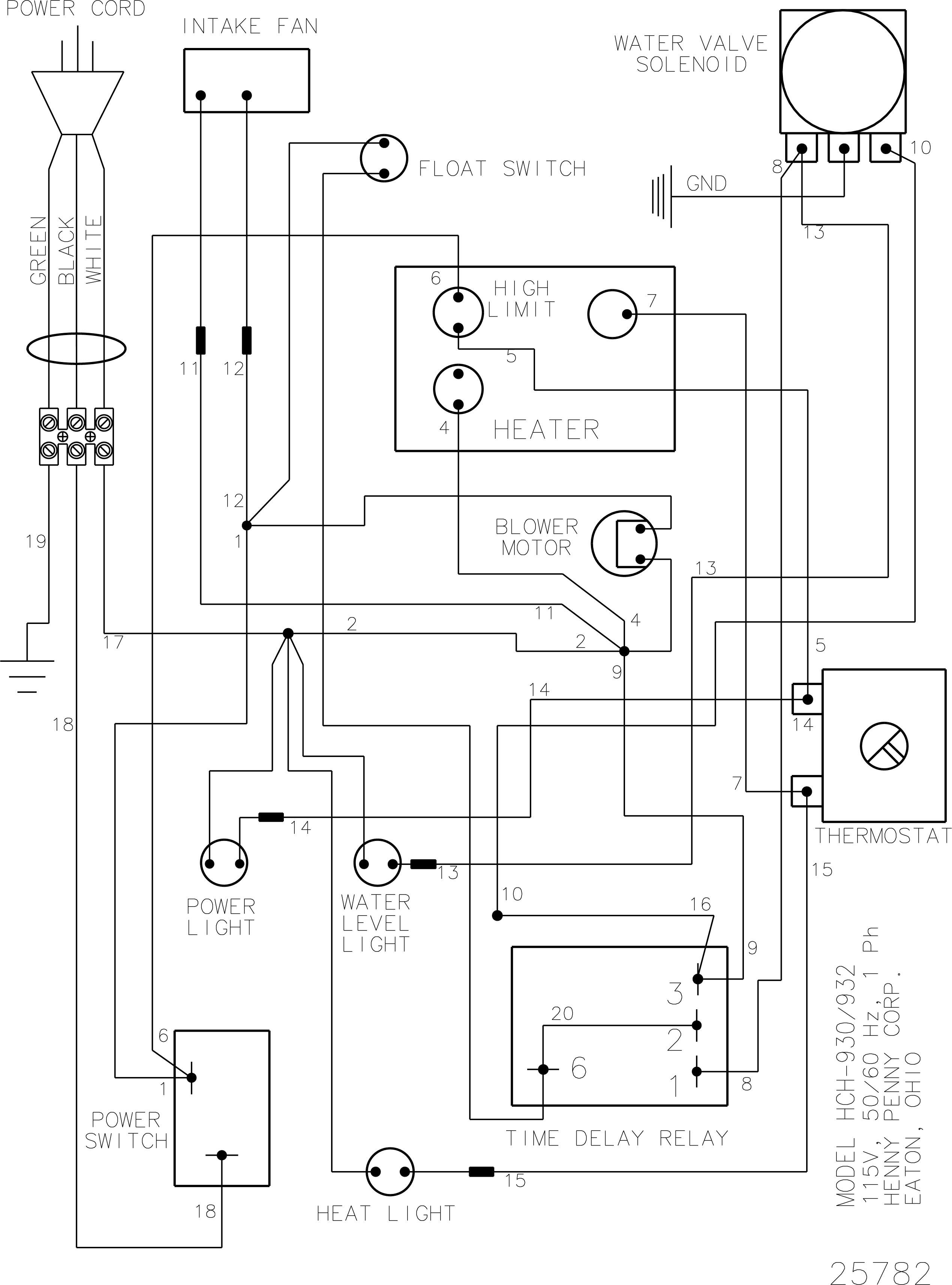
HCH 930, 932, 115V, 50/60hz, 1 phase Wiring Diagram
HCH 930, 932, 230V, 50 Hz, 1 phase Wiring Diagram
HCH 930, 932, 240V, 50 Hz, 1 phase Wiring Diagram
HCH 930, 932, 240V, 50/60hz, 1 phase Wiring Diagram
HCH 930, 932, 120V, 50/60hz, 1 phase Wiring Diagram
Related Content
Installing the HCH 93X Heated Holding Cabinets
Operating the HCH 93X Heated Holding Cabinets
Programming the HCH 93X Heated Holding Cabinets
Troubleshooting the HCH 93X Heated Holding Cabinets
Information about the HCH 93X Heated Holding Cabinets
Reference
Error Codes
Specifications