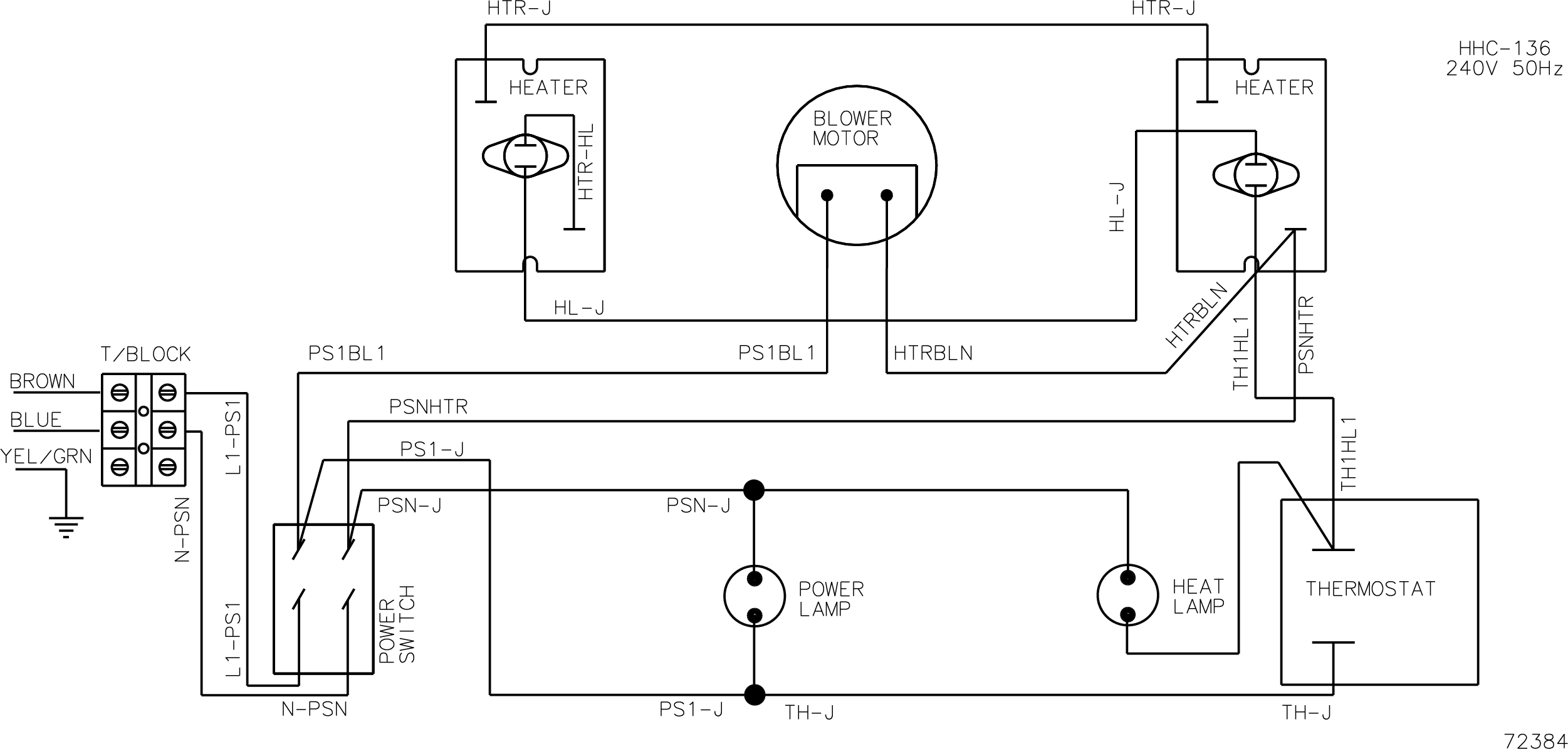
HCN 5 and HHC 136 Wiring Diagrams
Related Content
Installing the HCN 5 and HHC 136 Heated Holding Cabinets
Operating the HCN 5 and HHC 136 Heated Holding Cabinets
Programming the HCN 5 and HHC 136 Heated Holding Cabinets
Troubleshooting the HCN 5 and HHC 136 Heated Holding Cabinets
Information about the HCN 5 and HHC 136 Heated Holding Cabinets
Reference