Skip To Main Content
Account
Settings
Logout
  • placeholder
Account
Settings
Logout
Filter:
Submit Search
You are here:

OFE 14X Wiring Diagrams

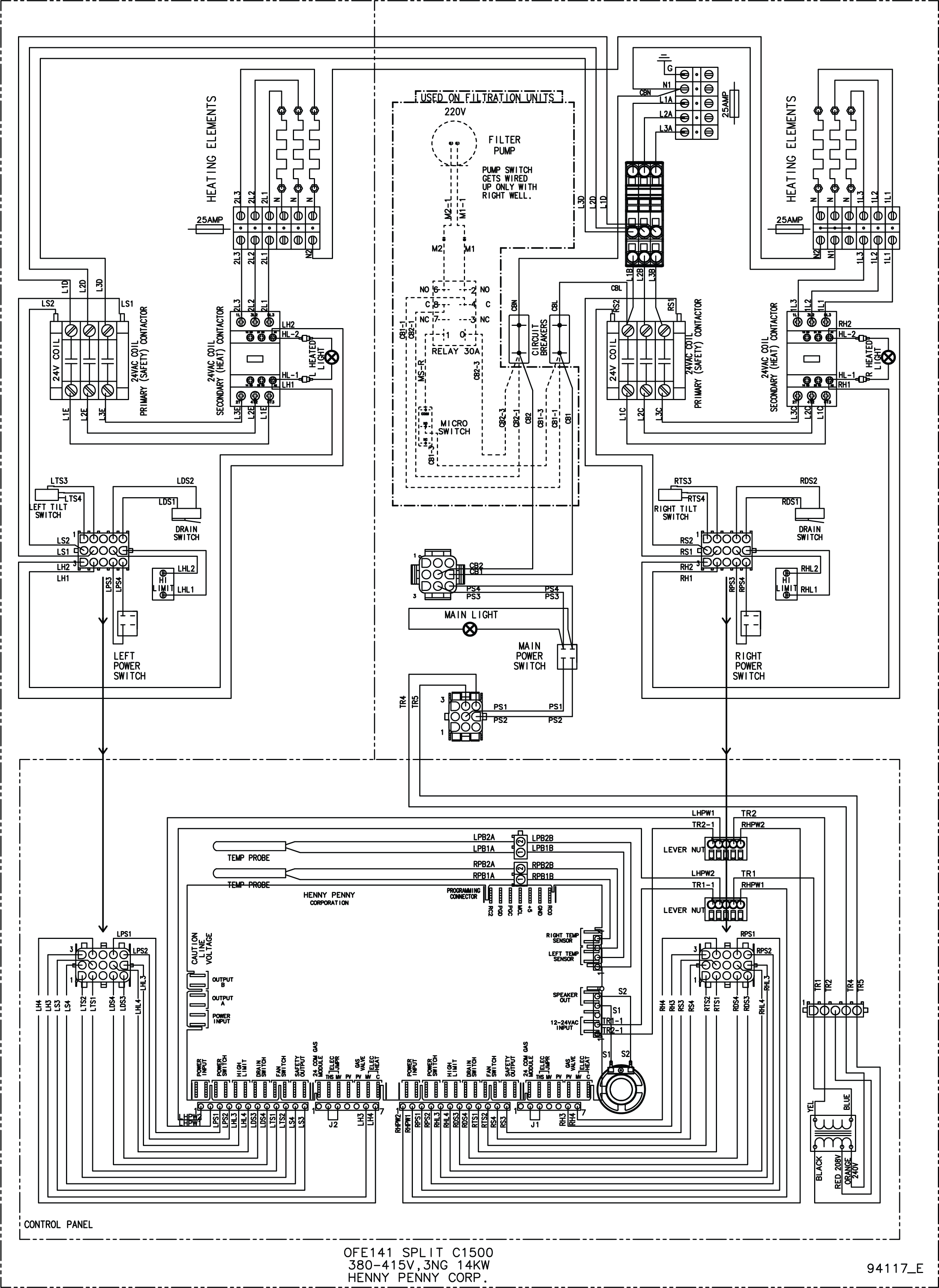
OFE 141 Split Vat Wiring Diagram

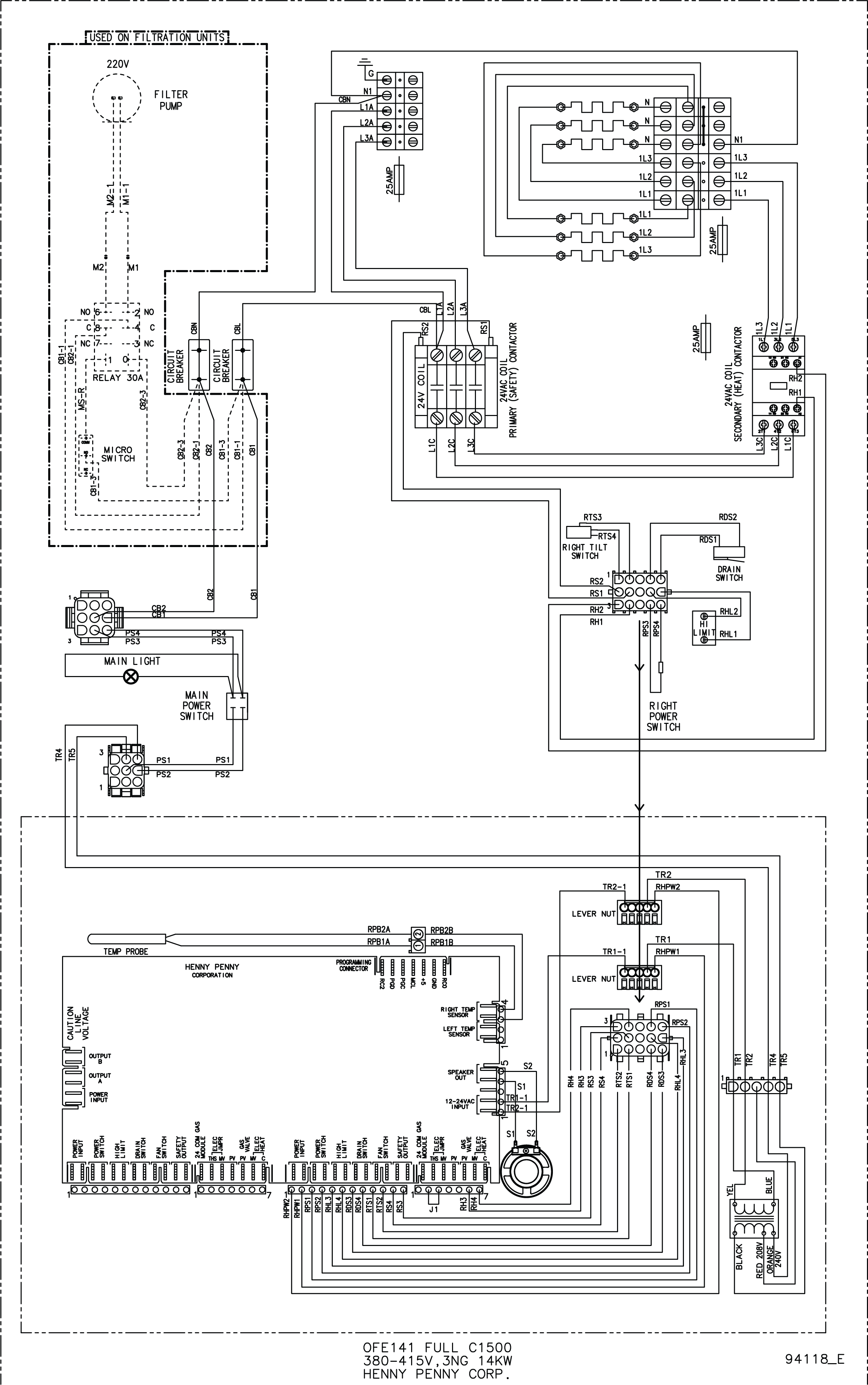
OFE 141 Full Vat Wiring Diagram

OFE 142 Split Vat Wiring Diagram

OFE 142 Full Vat Wiring Diagram

Related Content

Installing the OFE 14X Fryer

Operating the OFE 14X Fryer

Programming the OFE 14X Fryer

Troubleshooting the OFE 14X Fryer

Information about the OFE 14X Fryer

Unpacking

Selecting the Location

Ensuring Proper Ventilation

Electrical Requirements

Filling or Adding Oil

C1500 Control Components

C1500 Control Basic Operation

Filtering

Discarding Oil Using Front Dispose

Maintenance Schedule

Changing the Filter Envelope

Cleaning the Vat

C1500 Programming

Special Programming

Troubleshooting

Reference

Specifications

Error Codes

Youtube Channel

Report

©2026 Henny Penny Corporation

Privacy Policy

Update cookies preferences

technicalservices@hennypenny.com

+1-800-417-8405

+1-937-456-8405

1219 U.S. 35, Eaton, OH 45320