Applies to:
Wiring Diagrams
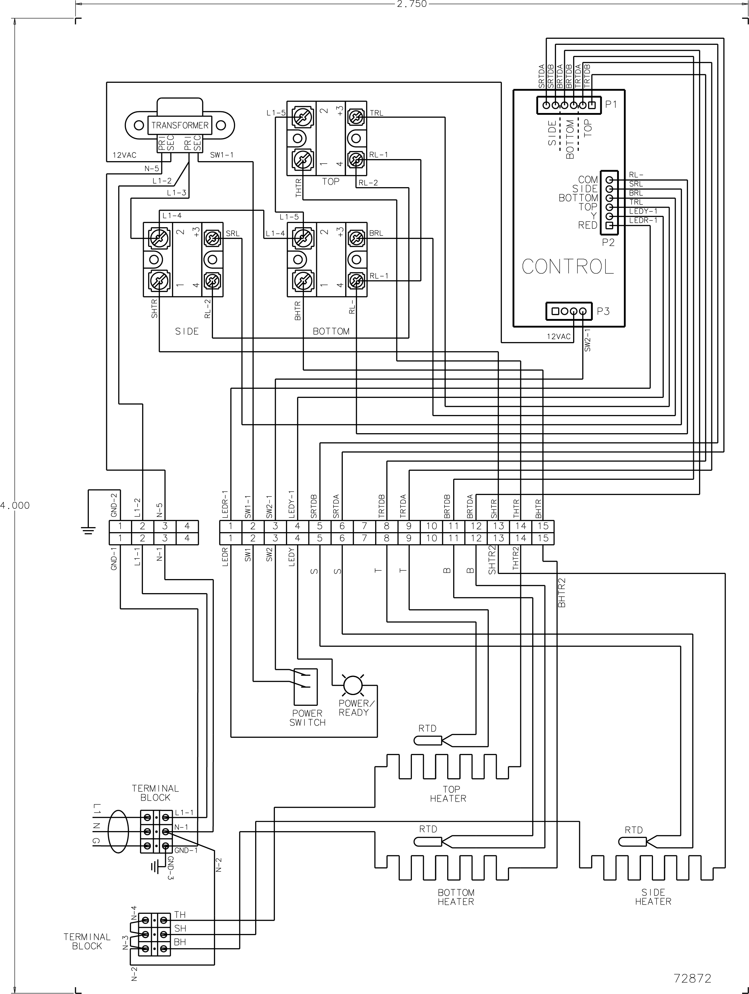
MPC 554 120V, 50, 60 Hz, 1 phase Wiring Diagram
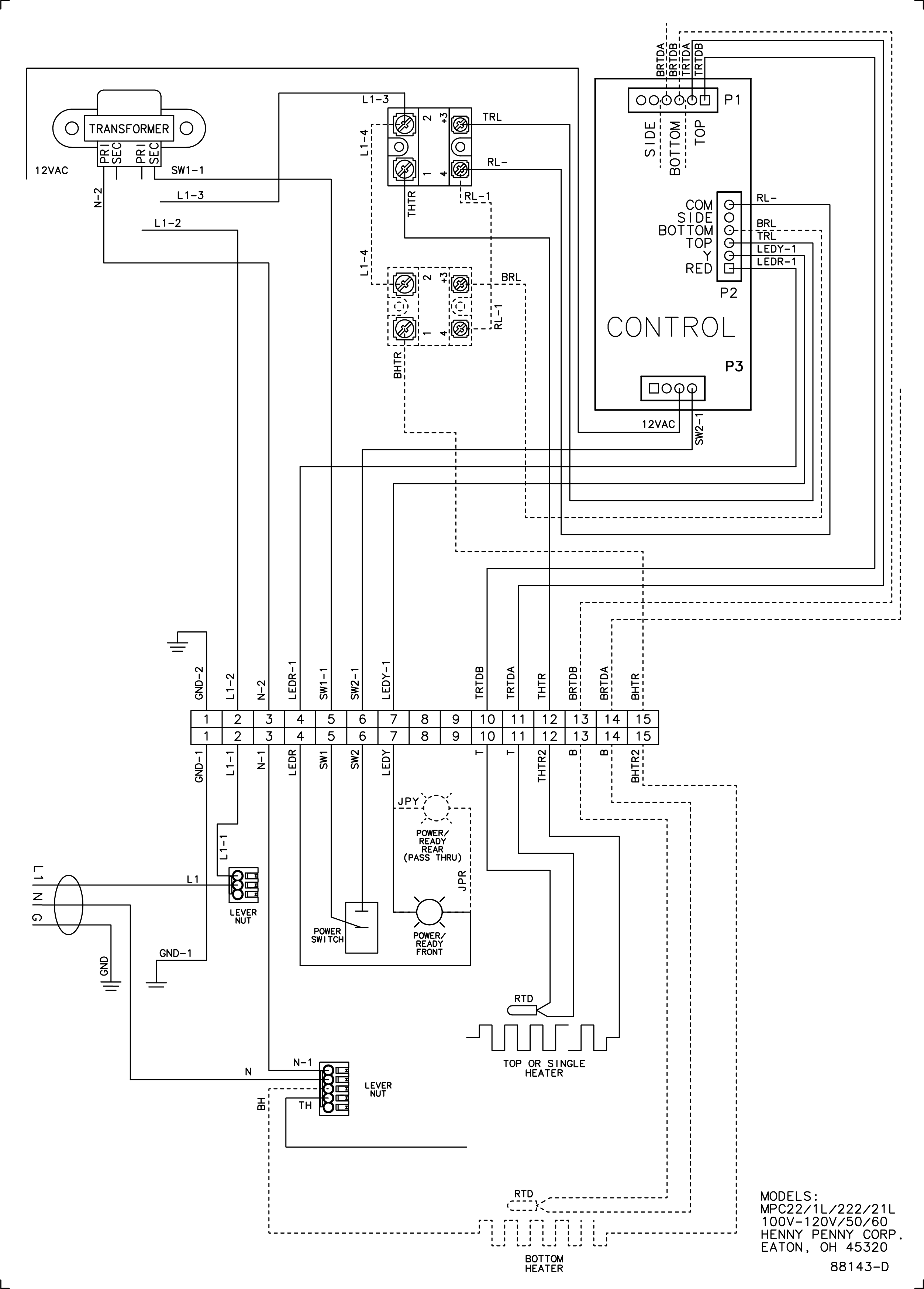
MPC 1L, 222, 120V, 50, 60 Hz, Wiring Diagram
| Models | MIN | NOM | MAX |
|---|---|---|---|
|
MPC-1L |
124.36 |
130.91 |
137.45 |
| MPC-22 | 68.40 | 72.00 | 75.60 |
Related Content
Installing the MPC 554, 1L, 22, 222 Multipurpose Holding Cabinets
Operating the MPC 554, 1L, 22, 222 Multipurpose Holding Cabinets
Programming the MPC 554, 1L, 22, 222 Multipurpose Holding Cabinets
Troubleshooting the MPC 554, 1L, 22, 222 Multipurpose Holding Cabinets
Information about the MPC 554, 1L, 22, 222 Multipurpose Holding Cabinets
Reference