Applies to:
ATO System Theory of Operation
Purpose
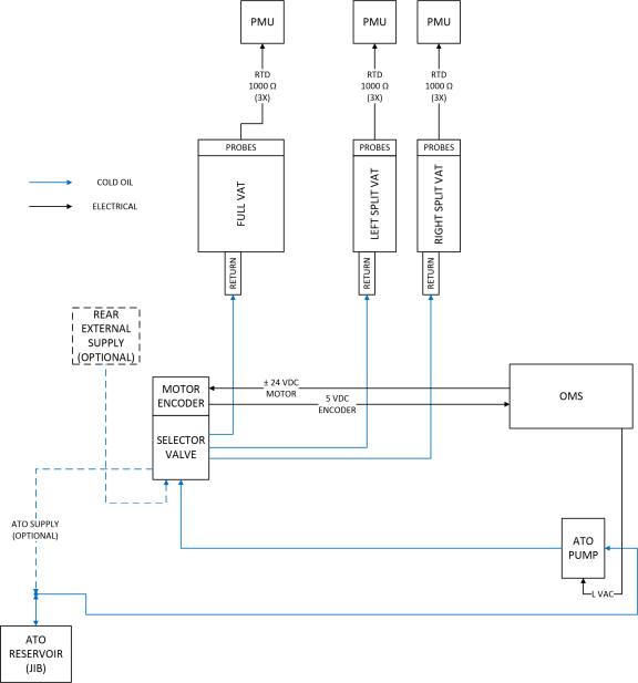
Maintaining proper oil level in all vats is performed by the Auto Top-Off (ATO) system. With normal use, the oil level in any vat will drop lower due cook and filter cycles. A low oil level will result in reduced oil and product quality, oil life, and ultimately nuisance tripping of the high limit safety system. Automatic vat top-off is the goal of the system so that user prompts are not provided unless the F5 control system perceives the reservoir as being empty. Alternatively, the user may manually initiate a vat top-off as needed through the F5 control system Oil & Filter menu.
The ATO system uses new oil from its reservoir or Jug In a Box (JIB) which is sent to vats with low oil level as needed. When the ATO reservoir is depleted it can be manually replaced with a new JIB or refilled if the F5 fryer is connected to a bulk oil supply system.
ATO System Block Diagram:
Related Content
ATO System Sequence of Operation
Bulk Oil System Sequence of Operation
Bulk Oil System Theory of Operation
Cart Dispose System Sequence of Operation
Cart Dispose System Theory of Operation
Control MAP Sequence of Operation
Control MAP Theory of Operation
Electric Heat Sequence of Operation
Electric Heat Theory of Operation
Filtering Sequence of Operation
PMU Hi Limit Theory of Operation
Reference