Applies to:

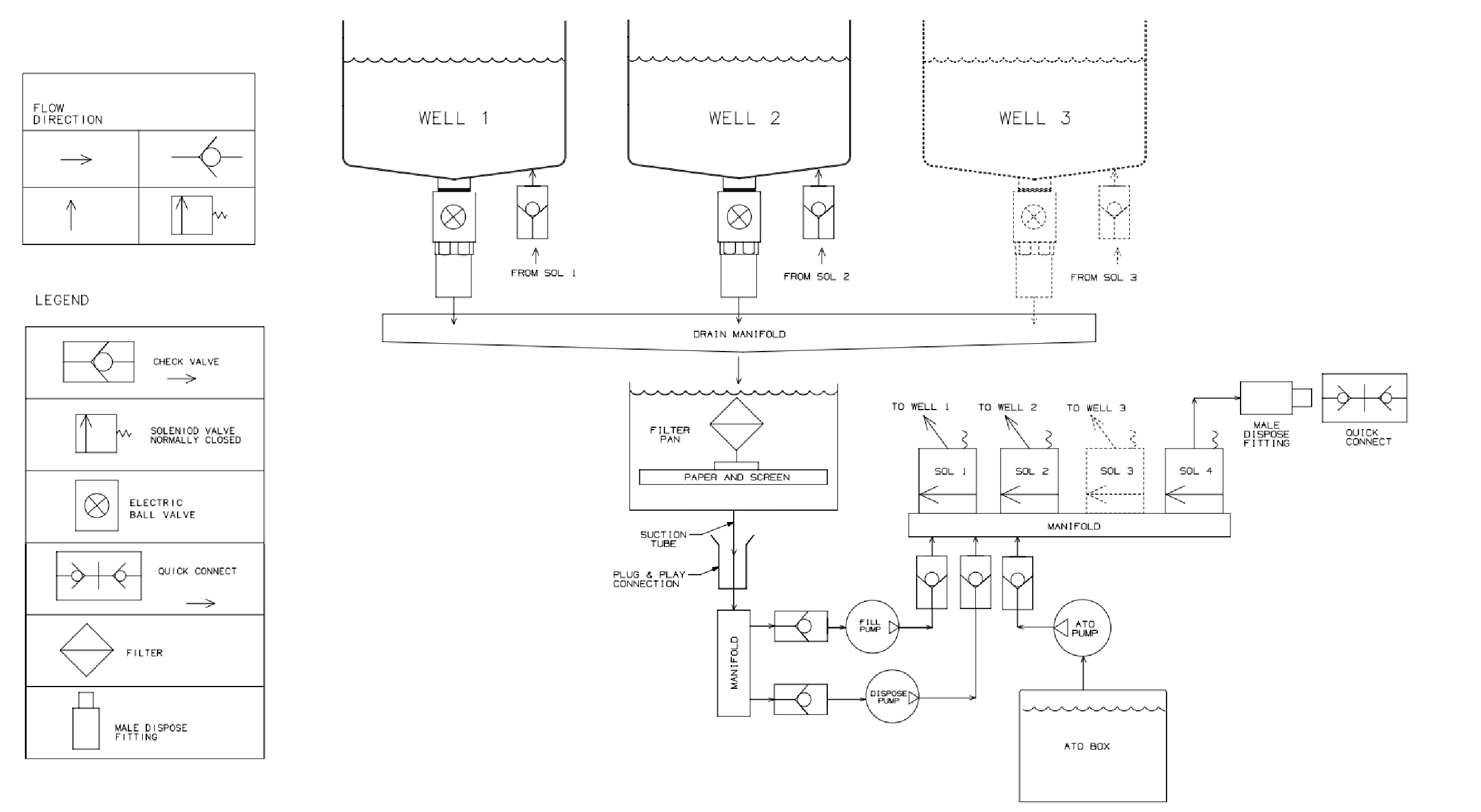
CFE 5XX Plumbing Diagram
Related Content
Installing the Quantum CFE 500 Open Fryers
Operating the Quantum CFE 500 Open Fryers
Training on the Quantum CFE 500 Open Fryers
Programming the Quantum CFE 500 Open Fryers
Troubleshooting the Quantum CFE 500 Open Fryers
Information about the Quantum CFE 500 Open Fryers
Cooking a Product with a Custom Temperature Setting
Replacing the O-ring Quarterly
Theory & Sequence of Operation: Heat System
Theory & Sequence of Operation: Filtration System
Filter Pump Motor Protector - Manual Reset
Troubleshooting the E-4 CPU Too Hot Error Code
Troubleshooting the E-41P Product Data or Multiple Product Data Lost Error Code
Troubleshooting the E-41S System Set Lost Error Code
Troubleshooting the E-46 through E-54 Control Fail Error Code
Troubleshooting the E-61 Communication Error Code
Troubleshooting the E-92 24VAC Loss to Control Error Code
Troubleshooting the E-255 Riot System Communication Loss Error Code
CFE 5XX Replacing the Control Assembly
Troubleshooting the E5 Oil Too Hot Error Code
Troubleshooting the E-6 Main Temperature Probe Failed Error Code
Troubleshooting the E-10 (A-Y) High Limit Tripped Error Code
Troubleshooting the E-19 Protection Probe Failed Warning
Troubleshooting the E-25 Heat Amps Too High Error Code
Troubleshooting the E-26 Heat Amps Locked On Error Code
Troubleshooting the E-30 Circuit Breaker Tripped Error Code
Troubleshooting the E-70B Power Switch or Wiring Failure Error Code
Troubleshooting the E-75 Contactor Near End-of-Life Error Code
Troubleshooting the W-2 Slow Heat Up Warning
Troubleshooting the W-4 Slow Cooking Warning
Troubleshooting the W-6 Slow Cooking Warning
Troubleshooting the W-7 Low Amps Warning
Troubleshooting the W-9 Discard Product Warning
CFE 5XX Replacing the Heating Element
CFE 5XX Replacing High Limit Thermocouple
CFE 5XX Replacing Bottom Probe
CFE-5XX Replacing Temperature/Level/Auxiliary Probe
Troubleshooting the E1 Low Oil Error Code
Troubleshooting the E-15 (C/P) Drain Not Closing/Opening
Troubleshooting the E-18 Level Sensor Failed Error Code
CFE-5XX Replacing Filter Pan Sensor
Reference