Applies to:

LVG 300 Plumbing Diagrams
This product is in test and not for sale at this time.
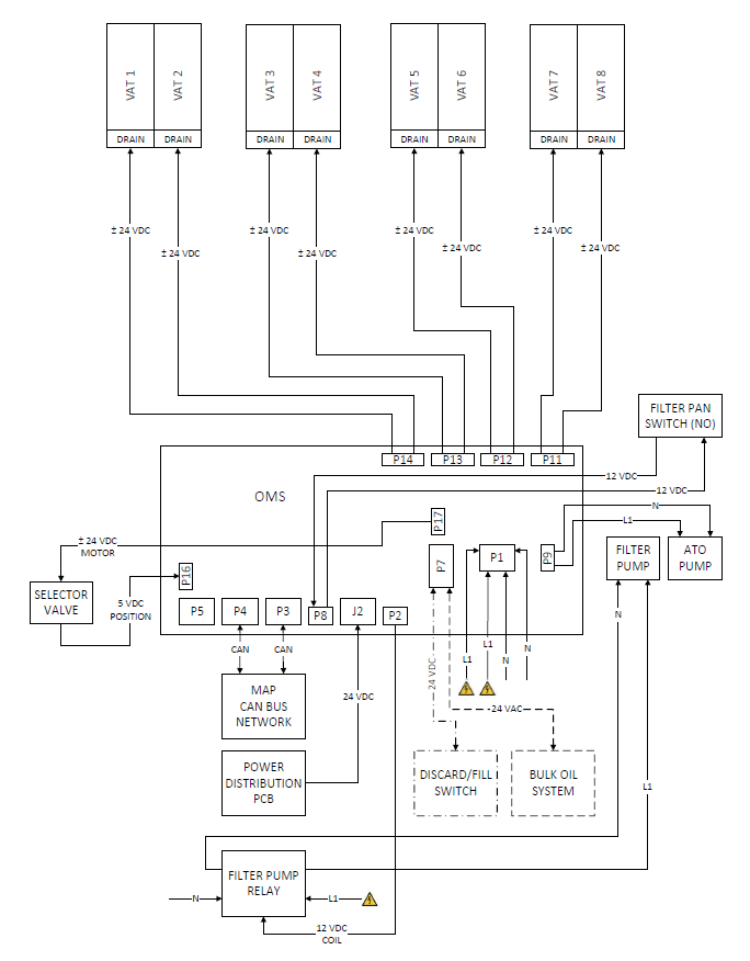
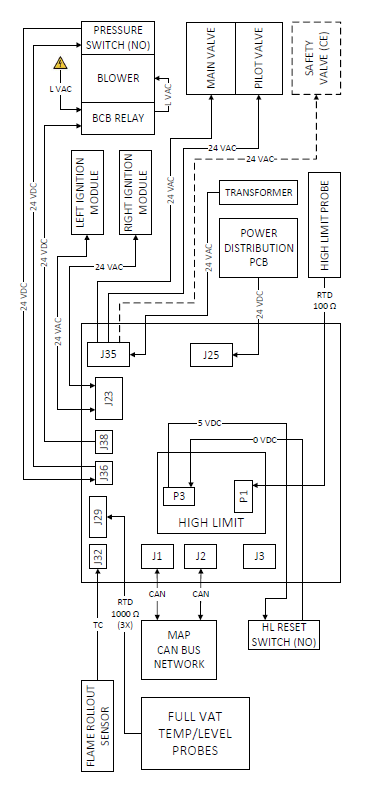
Block Diagrams
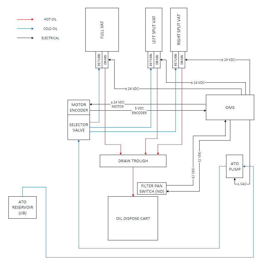
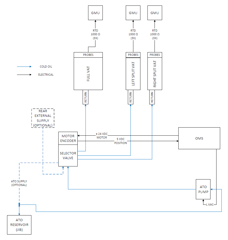
Bulk Oil Dispose Block Diagram
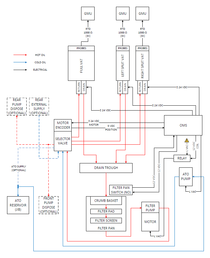
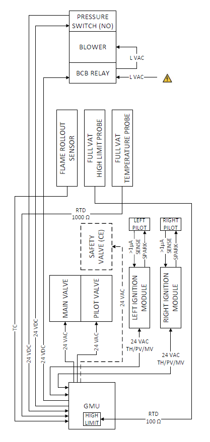
GMU and High Limit Full Block Diagram
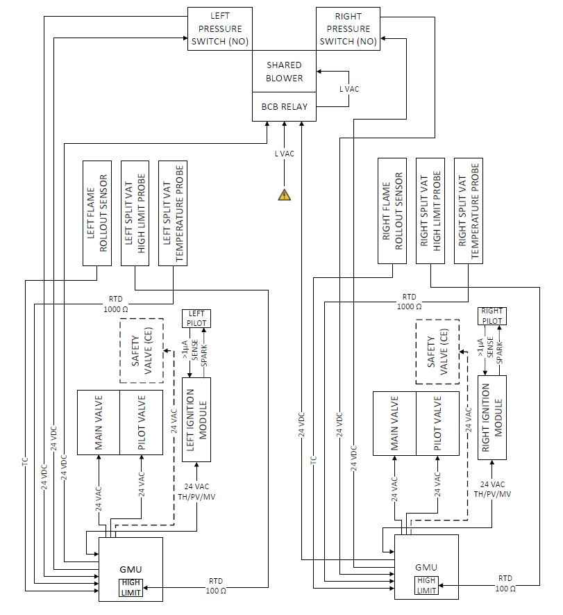
GMU and High-Limit-Split Block Diagram
Related Content
Installing the LVG 300 Open Fryer
Operating the LVG 300 Open Fryer
Training on the LVG 300 Open Fryer
Programming the LVG 300 Open Fryer
Troubleshooting the LVG 300 Open Fryer
Information about the LVG 300 Open Fryer
Enabling the Network Connection
Discarding Oil Using Cart Dispose
Discarding Oil Using Front Dispose
Discarding Oil Using Rear RTI Dispose
Cleaning the Filter Pan Assembly
Selector Valve Port Configurations
Control MAP Theory of Operation
Control MAP Sequence of Operation
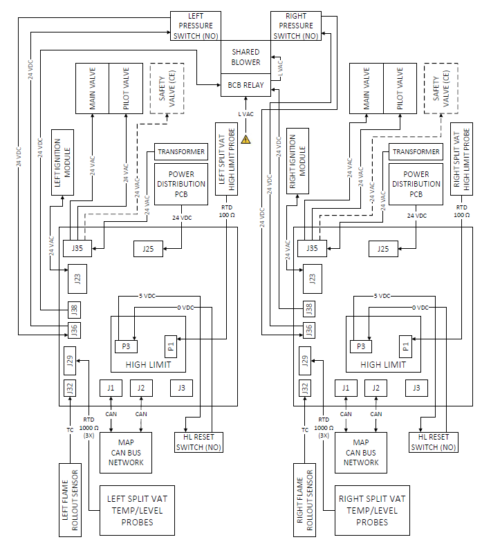
GMU Hi Limit PCB Theory of Operation
Gas Heat System Theory of Operation
Gas Heat System Sequence of Operation
Filtering Sequence of Operation
Cart Dispose System Theory of Operation
Cart Dispose System Sequence of Operation
Bulk Oil System Theory of Operation
Bulk Oil System Sequence of Operation
ATO System Theory of Operation
ATO System Sequence of Operation
Troubleshooting Connection to the Access Point
Troubleshooting the Cloud Connection
Troubleshooting the End User License Agreement (EULA)
Troubleshooting the IP Address
Troubleshooting the Dongle (radio)
Troubleshooting Radio Software Setup
Troubleshooting Signal Strength
Troubleshooting a Blank Display
Unlocking Frozen Control Screen
Troubleshooting an E-5 Error Oil Too Hot
Troubleshooting an E-6 Error Main or Temperature Probe
Troubleshooting an E-10 High Limit Error
Troubleshooting a Change Pad Reminder XX hrs. Error
Troubleshooting the Check JIB Message
Troubleshooting a Filter Pan Switch Failure
Troubleshooting an E-82D Selector Valve Error
Replacing the Filter Pan Lid Gasket
Replacing the Port Selector Valve Assembly
Replacing the Selector Valve Motor
Reference