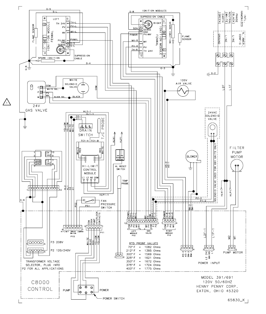
PFG 691 Wiring Diagrams

Related Content

Information about the 691 Fryers

Installing the 691 Fryers

Operating the 691 Fryers

Programming the 691 Fryers

Troubleshooting the 691 Fryers

Unpacking

Selecting the Location

Installing the Power Cord

Operating Components

Changing the Filter Envelope

Cleaning the Blower and Vents

Basic Operation

Cleaning the Vat

Filtering

Maintenance Schedule

Cleaning the Safety Relief Valve

Inspecting the Counterweight Cables

Cleaning the Dilution Box

Reversing the Lid Gasket

Lubricating the Lid Rollers

Cleaning the Nylatron Slides

Cleaning Deadweight Assembly

Special Programming

Information Mode

Programming

Resetting the C8000 Password

Decommissioning Fryers

Replacing the Control Panel

FM08-481 8 Head Replacing the Control

PFG 691 C8000 Retrofit Instructions

Troubleshooting the PFG 691 E-41 Control Programming Lost Error Code

Replacing the High Temperature Limit Control

Replacing the Temperature Probe

Replacing the Transformer

Replacing the Gas Control Valve

Replacing the Flame Sensor Assembly

Replacing the Air Valve

Replacing the Airflow Switch

Replacing the Ignition Modules

Replacing the Ignitor Assembly

Replacing the Blower Assembly

8 Head Baso Retrofit Kit

FM07-558 Gas Valve Replacement Kit

Ignition Module Retrofit Kits

Manifold Retrofit Kit Instructions

CE Gas Valve Adjustment Instructions

Air Switch Monitoring Retrofit Kit Instructions

Replacing Gas Valve Assembly With Gas Valve and Solenoid Assembly

Replace Gas Valve Assembly with Gas Valve and Solenoid Assembly

PFG 690 and 691 Temperature Probe CE Instructions

PFG 690/691 Ignition Module Kit

Troubleshooting the PFG 691 E-4 Control Overheating Error Code

Troubleshooting the PFG 691 E-5 Oil Overheating Error Code

Troubleshooting the PFG 691 E-6 Temperature Probe Error Code

Troubleshooting the PFG 691 E-10 High Limit Error Code

Troubleshooting the PFG 691 E-20B No Draft Check Fan Error Code

Troubleshooting the PFG 691 E-20C Ignition Failure Error Code

Troubleshooting the PFG 691 E-20D Ignition Failure Error Code

Replacing the Drain Microswitch

Replacing the Drain Valve and Extension

Testing and Replacing the Power/Pump Switch

Replacing the Solenoid Below the Counter

Replacing the Solenoid Above the Counter

Installing the Pump Seal Kit

PFG-690/691 & OFG-390/391 Pump Motor Relay Kit

Pan Spacer Bracket

PFG 690 and 691 Installing Filter Rinse Hose

Direct-Connect Retrofit Instructions (For use on fryers after SN: 391-LH016JC & 691-LH029JC)

Operating Instructions for PFG-691/OFG-391 Direct-Connect Oil System

PFG 691 Attaching the Rinse Hose Instructions

Troubleshooting the PFG 691 Oil Not Pumping

Troubleshooting the PFG 691 E-15 Drain Open Error Code

Replacing the Nylatron Slides

Replacing the Lid Counterweight Cables

Replacing the Pressure Pad

Tilting the Lid Upright

Calibrating and Cleaning the Pressure Gauge

I-Beam Cable Hole Plug Installation

Replace Nylatron Slides on PFG 690 and 691

PFG 690 and 691 Lid Cable Replacement

Realigning the Lid

Replacing the Casters

Label Application and Location for the 8 Head Fryer

Installing Optional Crumb Basket

PFG 690 Stabilizer Retrofit Instructions

Unpacking Instructions

Reference

Specifications

Error Codes

PFG 691 Inspection and Planned Maintenance

1000 Ohm Chart